尊龙凯时

自动化生产线
天下效劳热线:

咨询在线客服

尊龙凯时·(中国区)人生就是搏!

微信效劳号

尊龙凯时·(中国区)人生就是搏!中文网站 尊龙凯时·(中国区)人生就是搏!英文网站 尊龙凯时·(中国区)人生就是搏!OA 入口
回到首页 产品中心 咨询热线: 点击咨询客服 回到顶部

自动化生产线

自动化生产线也叫自动化流水线...

联系尊龙凯时

尊龙凯时

地点:郑州市黄杨街41号尊龙凯时工业园

热线电话:

移动电话:(同微信)

主梁、端梁(臂架、行车)机械人焊接生产线

主梁、端梁(臂架、行车)机械人焊接生产线

尊龙凯时,自1996年建设以来,20余年专业设计、研发、生产机械人焊接装备。该产品线为非标定制产品,可凭证客户现实需求设计

效劳热线:

        尊龙凯时,自1996年建设以来,20余年专业设计、研发、生产机械人焊接装备。该产品线为非标定制产品,可凭证客户现实需求设计


    一、总体功效说明

        主梁机械人焊接生产线主要以桥式起重吨位5~50t,跨度10.5~28.5m的主梁为生产工具,生产线最大形状尺寸不凌驾13m(宽) ×270m(长)

    主要包括9个工位:

    1、上盖板与筋板组焊工位

    2、腹板与角钢组焊工位

    3、π形梁组对工位

    4、π形梁内缝焊接工位一

    5、π形梁内缝焊接工位二

    6、π形梁与下盖板组对工位

    7、梁盒外缝焊接工位一  

    8、梁盒外缝焊接工位二

    9、梁盒参数检测工位以及工位之间的物流系统和生产线信息治理系统 ;



       上盖板与筋板料框从料区吊运至上盖板与筋板组焊工位、腹板与角钢料框从料区吊运至腹板与角钢组对工位、下盖板从料区吊运至π形梁与下盖板组对工位有车间起重机(客供)加入外,其余工位及工位之间的流转无车间起重机加入。整体生产线以单件流的形式组织生产,各工位节奏不大于1小时(以QD20t22.5m主梁为测算及验收依据)。



    二、生产线工艺流程

    尊龙凯时·(中国区)人生就是搏!

    尊龙凯时·(中国区)人生就是搏!



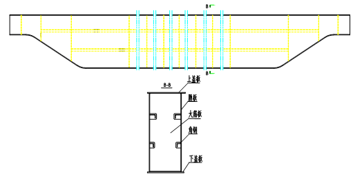
    三、主梁结构形式。

    尊龙凯时·(中国区)人生就是搏!



       起重机主梁主要由1个上盖板、1个下盖板、2个腹板及若干筋板组成。其中大部分主梁腹板上均有避免变形和增大刚性的纵向角钢。



    四、生产线备料要领与精度

    1、筋板接纳等离子数控整体下料,尺寸误差≤1mm,笔直误差≤H/1000(H为大筋板高度),平面度≤2mm(平面度超差可以接纳矫平机举行矫正)。

    2、腹板使用卷板开卷校平后接纳等离子数控整体下料,包管统一根主梁两块腹板拱度的一致性。

    3、厚度≤16mm的盖板接纳卷板开卷校平后等离子数控整体下料,厚度>16mm的盖板接纳中厚板先拼长后使用直条机火焰切割下料,盖板宽度误差≤2mm,每10000mm长的盖板下料爆发的水平旁弯≤5mm ;

    4、角钢非整根使用时接纳锯切下料,整根使用时不再锯切修边。

    5、生产线总体设置

    序号

    功效

    1

    上盖板与筋板组焊工位

    2

    腹板与角钢组焊工位

    3

    π形梁组对工位

    4

    π形梁内缝焊接工位一

    5

    π形梁内缝焊接工位二

    6

    π形梁与下盖板组对工位

    7

    梁盒外缝焊接工位一

    8

    梁盒外缝焊接工位二

    9

    梁盒参数检测工位

    10

    物流系统

    11

    生产线信息治理系统


    6、生产线总体手艺指标


    序号

    名    称

    要    求

    1

    产线运送线作业高度

    700-900mm

    2

    单根梁制作周期

    ≤8小时

    3

    单根梁用工数目

    ≤10人

    4

    6轴机械人数目

    21套

    5

    焊枪冷却方法

    水冷

    6

    焊接寻位方法

    接触及电弧传感器

    7

    焊接跟踪方法

    电弧跟踪





    五、产线结构图

    尊龙凯时·(中国区)人生就是搏!



    六、工艺形貌

    尊龙凯时·(中国区)人生就是搏!



        产线结构长X宽(270米X13米),产线节奏1h/件,整线主运送物流接纳动力滚筒线运送方法,角钢的运送方法接纳双层倍速链运送方法,梁盒外缝焊接二区到检测工位接纳RGV字母车,整线各工位与各工位之间流转及事情为全自动的,整线所有装备的结构都在旅行通道的一侧,旅行通道设置有清静光栅及清静围栏,整线安排接纳一子型安排,使整线雅观大方。

        主梁全自动焊接生产线包括:上盖板及筋板组焊工位、腹板与角钢拼焊工位、π型梁组对工位、内缝焊接工位一、内缝焊接工位二、梁盒组对工位、外缝焊接工位一、外缝焊接工位二、检测工位、信息化系统、物流系统及智能控制系统组成



    七、产线设计亮点

    1、整体结构雅观大方,接纳一字型结构,工位间设置磨练通道,事情位都集中在线体的一侧,另一侧设置旅行通道。

    2、整线人工加入部位思量人机连系性。

    3、梁盒组对工位上加有预拱装置、防海浪变形装置、及筋板扶正装置包管组对乐成率及焊接及格率。

    4、内缝焊接工位机械人加上联动外部轴,使机械人可达无死点。

    5、各工位之间为全自动,无需人工加入,自动化水平高。

    6、具有快速参数化编程系统,可以快速切换产品。

    7、具有生产信息治理系统,可对数据举行处置惩罚及存储,留有与MES对接的接口,为客户后期上MES做准备。

    8、整线物流接纳智能RGV子母车及滚筒线举行转运,效率高,控制简朴等。

    9、角钢运送系统,接纳双层倍速链的方法,可以实现角钢工装板上下无限循环作业,镌汰人工上件次数,节约人力,自动化水平高。

    10、产线所有上料位置都集中在上盖板与筋板拼焊位置,便于人工集中操作,提高产线整体效率。


    八、使用情形:

    1、情形温度:-15~+45℃,最大日温差:25℃

    2、年平均相对湿度:~59%,最高月平均相对湿度:95%(+25℃)

    3、电源:切合中国制式,供电电压:380V±15%,供电频率:

    50Hz±2%

    4、压缩空气:自备空压机自产压缩空气,0.6±0.1MPa

  • *
  • *
  • *

联系尊龙凯时



电话:

手机:(同微信)

网站备案号: 豫ICP备18029470号-1

邮箱:kehui@m.ganfei.net

地点:郑州市黄杨街41号尊龙凯时工业园

二维码



尊龙凯时·(中国区)人生就是搏!

关注微信公众号

【网站地图】【sitemap】